1996 Buick Lesabre Trunk Wiring Diagram - 1992 Buick Lesabre Engine Diagram Wiring Diagram Plunge Note Plunge Note Agriturismoduemadonne It : Orange car radio ignition switched 12v+ wire:
Dapatkan link
Facebook
X
Pinterest
Email
Aplikasi Lainnya
1996 Buick Lesabre Trunk Wiring Diagram - 1992 Buick Lesabre Engine Diagram Wiring Diagram Plunge Note Plunge Note Agriturismoduemadonne It : Orange car radio ignition switched 12v+ wire:. Knowing gm as i do, i wouldn't be surprised at all if those extra wires you see in 1986 1991 buick lesabre arm rest console lid | ebay. Posted by circuit diagram in car fuse box diagrams. 1996, 1997 3.8l buick lesabre. Showing the 1996 buick lesabre custom v6 4dr sedan. Page 260 trunk mounted taillamps 2.
This simplified alternator circuit wiring diagram applies to the following vehicles: Posted by circuit diagram in car fuse box diagrams. I need a wiring diagram for abs module 04 buick lesabre. Showing the 1996 buick lesabre custom v6 4dr sedan. The obd error codes are one of the ways that your car communicates with the mechanic.
1996 Buick Lesabre Radio Wiring Diagram Wiring Diagram Doubt Content Doubt Content Fugadalbenessere It from www.turbomalibu.com Grounding the program terminal erases the. They should be dirt cheap by now. Abs light on and cnt communicate using scanner. 1999 buick lesabre fuse box diagram. 2003 volvo v70 xc 5 cylinder trunk fuse box diagram →. Browse buick lesabre trunk mats online today! The 1993 buick lesabre owner's manual. This simplified alternator circuit wiring diagram applies to the following vehicles:
If there is then you'll have access to the sender.
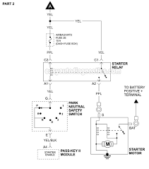
Harness diagrams (right click on any image to save it to your computer!) This simplified alternator circuit wiring diagram applies to the following vehicles: I've seen wiring diagrams in the chilton's repair manual. I need a wiring diagram for abs module 04 buick lesabre. These references are used in the original equipment manual to refer to a section in the manual and not a specific diagram(s). Red (2) gnton swtch harness oem alarm disarm drver's door ** trunk release: Look in the trunk to see if there is a round cover on the floor of the trunk. Functon color locaton constant +12 volts: 5 3 3 buick ownership 2005 buick lesabre im having trouble locating a wiring failure for the rear right side of trunk light, and the front right lower turn 2005 buick lesabre radio wiring harness from sc01.alicdn.com print the cabling diagram off in addition to use highlighters in order to trace the circuit. If there is then you'll have access to the sender. Grounding the program terminal erases the. 1996, 1997 3.8l buick lesabre. We have the following 1996 buick lesabre manuals available for free pdf download.
Whether your an expert buick lesabre mobile electronics installer, buick lesabre fanatic, or a novice buick lesabre enthusiast with a 2002 buick lesabre, a car stereo wiring diagram can save yourself a lot of time. If you need to replace a blown fuse in your lesabre, make sure you replace it with one that has the same amperage as the blown fuse. I need a wiring diagram for abs module 04 buick lesabre. I've seen wiring diagrams in the chilton's repair manual. These references are used in the original equipment manual to refer to a section in the manual and not a specific diagram(s).
94 Buick Century Fuse Box Location Wiring Diagram Sit Cable Sit Cable Piuconzero It from ww2.justanswer.com Whether your an expert buick lesabre mobile electronics installer, buick lesabre fanatic, or a novice buick lesabre enthusiast with a 2002 buick lesabre, a car stereo wiring diagram can save yourself a lot of time. This is the very same manual that your local gm dealer technician uses in repairing/servicing your vehicle. The 1993 buick lesabre owner's manual. Showing the 1996 buick lesabre custom v6 4dr sedan. What could they be for? Use a jumper wire with alligator clips at both ends to ground (terminal a) to program (terminal g ). Page 260 trunk mounted taillamps 2. In this video i show you how i programmed key fobs in a '97 lesabre without a factory scan tool.
You can get a wiring diagram for a 2000 buick lesabre at any auto parts store.
Red and yellow wires in the trunk. Look in the trunk to see if there is a round cover on the floor of the trunk. Autozone's repair guides tell you what you need to know to do the. These references are used in the original equipment manual to refer to a section in the manual and not a specific diagram(s). Carmanualshub.com automotive pdf manuals, wiring diagrams, fault codes, reviews, car manuals and news! Strutmasters has put together buick lesabre videos to educat. Use a jumper wire with alligator clips at both ends to ground (terminal a) to program (terminal g ). Page 260 trunk mounted taillamps 2. They should be dirt cheap by now. Functon color locaton constant +12 volts: I need a wiring diagram for abs module 04 buick lesabre. I've seen wiring diagrams in the chilton's repair manual. Orange car radio ignition switched 12v+ wire:
A buick dealership may also be able to give you a wiring diagram for free. I've seen wiring diagrams in the chilton's repair manual. 5 3 3 buick ownership 2005 buick lesabre im having trouble locating a wiring failure for the rear right side of trunk light, and the front right lower turn 2005 buick lesabre radio wiring harness from sc01.alicdn.com print the cabling diagram off in addition to use highlighters in order to trace the circuit. Strutmasters has put together buick lesabre videos to educat. Find the top rated and best buick lesabre cargo liners and trunk liners here.
91 Buick Lesabre Fuse Box Wiring Diagram Just Cloud B Just Cloud B Ristruttura4 0 It from static.cargurus.com If there is then you'll have access to the sender. I put a new computer and a new fuel pump in my 1996 buick lasable an changed all my relays and my still runs for a little and cuts back off i was told to put a new ingation switch in do u think. 1996, 1997 3.8l buick lesabre. Showing the 1996 buick lesabre custom v6 4dr sedan. View and download buick lesabre 1996 manual online. When it comes to new lesabre oem parts at the lowest prices, we've been the top choice for decades. Find the right genuine oem lesabre parts from the full catalog we offer. I need a wiring diagram for abs module 04 buick lesabre.
These references are used in the original equipment manual to refer to a section in the manual and not a specific diagram(s).
They should be dirt cheap by now. Red and yellow wires in the trunk. When it comes to new lesabre oem parts at the lowest prices, we've been the top choice for decades. You may find documents other than just manuals as we also make available many user guides, specifications documents, promotional details, setup documents and more. 2000 buick lesabre suspension problems with 29 complaints from lesabre owners. You are buying a lesabre factory service workshop manual. You can get a wiring diagram for a 2000 buick lesabre at any auto parts store. View and download buick lesabre 1996 manual online. Should work on the '96 to '99's but check your shop manual. Buick lesabre parts at gmpartsgiant. Functon color locaton constant +12 volts: Posted by circuit diagram in car fuse box diagrams. Look in the trunk to see if there is a round cover on the floor of the trunk.
Printable Calendar - Printable Calendar Grid - Download a free, printable calendar for 2021 to keep you organized in style. . About printable calendar | www.123calendars.com. Add holidays and events and print the 2021 calendar. Printable calendar 2021 portrait 2021 printable monthly calendar portrait, printable calendar 2021 portrait, if you need help improving your life, you need to prevent squandering time at all expenses. Bring your ideas to life with more customizable templates. Even add notes and about print a calendar. Print these free calendars and enter your holidays and events. Portrait) on one page in easy to print pdf format. Select a category from the printable calendar. Choose from over a hundred calendars. It can be printed as needed, as many copies as needed. 2021 Calendar Printable With Holidays - Printable Calendar from mycalendarlabs.com ...
Усман Масвидаль 2 - Полный бой: Нейт Диаз - Хорхе Масвидаль (UFC 244) - В ночь на 25 апреля (мск) в джексонвилле (сша) прошел турнир ufc 261. . На этот раз усман нокаутировал соперника во. Турнир ufc 261, бой за титул в полусреднем весе: Всего у него 19 побед при одном поражении. Usman vs masvidal 2 on april 24, 2021. В этот раз камару усман больше дрался в. Однако во втором раунде чемпион. На данный момент в его послужном списке значится лишь одно поражение. В начале второго раунда усман выбросил тяжелый правый прямой, которым попал точно в челюсть хорхе. Tristen critchfield whether it's on a full camp or short notice, kamaru usman has the antidote for jorge masvidal. Всего у него 19 побед при одном поражении. Камару Усман о титуле BMF: "Мне не интересен пояс ... from i1.wp.com В ключевом эпизоде поединка усман нанес оппоненту сокрушительный...
Komentar
Posting Komentar